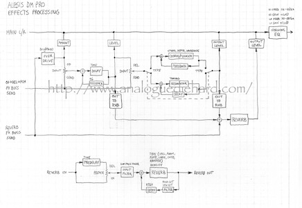
I made this signal flow diagram on the right
for a better visual understanding of the Effects
setting in a Drumkit. Another useful diagram that
the reference manual should had included, as it reduces
repetitive referring to the manual. All the parameters in
the Effects system function are included on the
diagram for illustration.
There is one single digital effects processor for the entire
DMPro.
Multi-effects are interesting, and they can be routed to the
main L/R buss separately or in tandem. When used
appropriately, the overdrive serves to add some punch on
attack transients or harmonics. The delay block in a simple
mono delay only with feedback; it has no modulation, and the
delay time cannot be sync'd to MIDI clock. Its input can be
from the output of the overdrive or straight off the
OD>DEL>PCH effects buss. Its output can be routed to
the reverb, the main L/R buss, and/or the pitch processors.
Again, the pitch processors can receive its input from the
delay block or straight off the OD>DEL>PCH effects
buss. The types of pitch processors are chorus, flanger, or
resonator. Chorus and flanger can be stereo or mono. This is
the last block in the OD>DEL>PCH chain whose output
can be routed to the reverb and/or the main L/R buss. The
final block in the effects chain is a shelving EQ with
sweepable low and high cut/boost. The signal flow in the
diagram makes it easy to visualize.
Quite an interesting effects chain that lends itself to
percussion sounds, and good for standard or special effects.
It's no Eventide H3000, but it is good enough. Sadly the
flanger does not provide negative feedback, the key to sharp
flanging effects.
None of the predecessor Alesis drum products included an
effects processor.
|

|